https://www.tradgardsteknik.se/logotyper/bill_logo_1.png
Patric Torle
info@tradgardsteknik.se
0431-222 90
0431-222 70
Trädgårdsteknik AB tillverkar och bygger växthus, specialväxthus, orangerier, belysning Garden för hela Skandinavien.
Helsingborgsvägen 578
ÄNGELHOLM
262 96
SWEDEN

Cirkulationspump Grundfos TPD 100-480/2, 30kW 145m³/h 46,87m 3x400V 50Hz  




Cirkulationspump Grundfos TPD 100-480/2,  30kW  145m³/h  46,87m 3x400V 50Hz

  • Enstegs, direktkopplad, dubbelpump med inlopps-och utloppsportar i linje med samma diametrar.
  • Dubbelpumpen är konstruerad med två parallella drivsidor.
  • Pumparna är konstruerade för att kunna lyftas uppåt ur sin installation (”top-pull-out”), dvs. att pumpöverdelen (motor, pumpöverdel och pumphjul) kan lyftas ut för underhåll eller service, medan pumphuset sitter kvar i rörkonstruktionen.
  • Varje pump är försedd med en obalanserad gummibälgstätning.
  • Axeltätningen uppfyller EN 12756.
  • Röranslutningen sker med PN 16 DIN-flänsar (EN 1092-2 och ISO 7005-2).
  • Varje pump är försedd med en fläktkyld asynkronmotor av motsvarande storlek
      *-Bilden på produkten kan avvika från aktuell produkt.


Vätska
Vätska Vatten
Vätsketemperatur område 0 till 120°C
Vätsketemp 20°C
Densitet 998,2 kg/m³

Teknisk data
Hastighets

2950 rpm

Resulterande flöde 145 m³/h
 Resulterande lyfthöjd för pumpen 46,87 m
Max. tryck 480 dm
Faktisk pumphjulsdiameter 200 mm
Kod för axeltätning. 1: Typ 2. Rot.
tätningsdel 3: Stat. plats 4: Sek. tätning:
BAQE
Kurvtolerans ISO9906:2012 3B
Pumpversion A
Modell A

Material
Pumphus  Gjutjärn EN-JL 1040
ASTM A48-40B
Pumphjul Gjutjärn
EN-JL1030
ASTM A48-30 B
Materialkod A

Installation
 Max. omgivningstemperatur 55°C
Max. driftstryck 16 bar
Flänsstandard DIN
Anslutningskod F
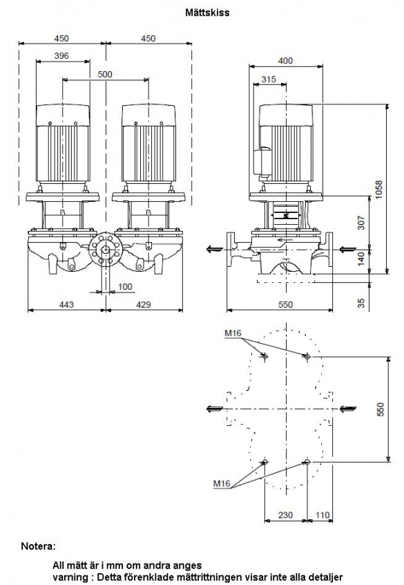
Röranslutning DN 100
Sugsida DN 100
Trycksida DN 100
Trycksteg PN 16
Inbyggnadslängd 550 mm
Motorflänsstorlek FF350

Elektriskdata
Motortyp SIEMENS
IE Efficiency class IE3
Effektförbrukning  P2 2 x 30 kW
Antal Poler 2
Nätfrekvens 50 Hz
Märkspänning

3 x 380-420D/
660-725Y V

Nominell ström 56,0-51,0/
32,0-29,5 A
Startström 660-660 %
Cos phi - verkningsgrad 0,86
Varvtal 2955 rpm
Kapslingsklass (EC 34-5) 55 Dust/Jetting
Efficiency IE3 93,3%
Isolationsklass (EC 85) F
Motorskydd PTC
Motornr 99032179

Övriga
Minsta effektivitetsindex, MEI ≥ 0,65
Nettovikt 701 kg
Bruttovikt 809 kg
Leveransvolym 1,8 m3


 Prestanda kurvor

» Ritning med mått beskrivning

» Kopplings schema

  • Cirkulationspump Grundfos TPD 100-480/2,  30kW  145m³/h  46,87m 3x400V 50Hz
    Art. nr.
    GRU96109236
    Cirkulationspump Grundfos TPD 100-480/2, 30kW 145m³/h 46,87m 3x400V 50Hz
För mer information kontakta oss på
0431-222 90


TRÄDGÅRDSTEKNIK AB
Helsingborgsv., Varalöv
262 96 ÄNGELHOLM
Telefon:
0431-222 90
Org Nr:
556409-6120
Webbadress:
www.tradgardsteknik.se
E-post:
info@tradgardsteknik.se