https://www.tradgardsteknik.se/logotyper/bill_logo_1.png
Patric Torle
info@tradgardsteknik.se
0431-222 90
0431-222 70
Trädgårdsteknik AB tillverkar och bygger växthus, specialväxthus, orangerier, belysning Garden för hela Skandinavien.
Helsingborgsvägen 578
ÄNGELHOLM
262 96
SWEDEN

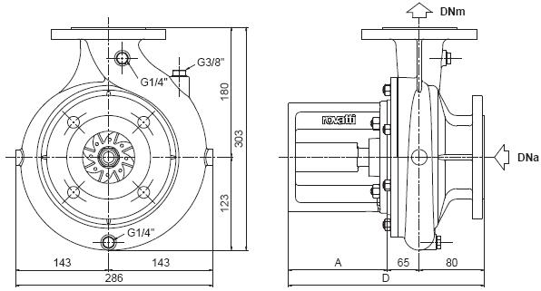
Pump flänsad pump ROVATTI FL320 27m³/h  




Pump flänsad pump ROVATTI FL320 27m³/h






Flänsar   Standard A
D
Vikt
CA 1 a 60 205 20
b 115 260 22
c 160 305 25
2 a 95 240 23
b 130 275 23
3 a 60 205 22
b 95 240 23
c 130 275 21
4 a 70 215 22
b 115 260 24
5 a 60 205 22
b 95 240 23
c 130 275 23
6 a 115

260

24
b 160 305 25
7 a 70 215 22
b 115 260 24
SB 11 115 260 22
12 **
21 144 289 22
22 **
23 147 292 25
31 144 289 22
32 **
33 147 292 24
F 1 **
2

  Overalll mått i mm och vikt i kg

  ** - Inte tillgängliga versionen

 
Q Flänsad
DN D1 D2

S

D3
DNa

PN 10/16*
50 165 125 4 19
DNm
PN 16/25*
32 140 100 4 19
 

* Beroende fungera pressar

Q Kapacitet
[m3/h] 0

6

12 16,5 21 25,5 27
[l/s] 0 1,7 3,3 4,6 5,8 7,1 7,5
[l/min] 0     100     200     275     350     425

    450

min-1 Impeller

H

[m]

N

[kw]

H

[m]

N

[kw]

H

[m]

N

[kw]

H

[m]

N

[kw]

H

[m]

N

[kw]

H

[m]

N

[kw]

H

[m]

N

[kw]

 3600 F 69 3,3 69 4,1 69 5 67 5,7 64 6,4 59 7 57 7,1
G 62 2,8 62 3,5 61 4,3 59 5 56 5,6 51 6 - -
H 55 2,3 55 3 54 3,7 52 4,3 49 4,8 - - - -
I 49 1,9 49 2,5 48 3,2 45 3,7 42 4,1 - - - -

 

Q Kapacitet
[m3/h] 0

6

15 18 21 24 25,5
[l/s] 0 1,7 4,2 5,0 5,8 6,7 7,1
[l/min] 0     100     250     300     350     400

    425

min-1 Impeller

H

[m]

N

[kW]

H

[m]

N

[kW]

H

[m]

N

[kW]

H

[m]

N

[kW]

H

[m]

N

[kW]

H

[m]

N

[kW]

H

[m]

N

[kW]

 3300 E 65 3 65 3,7 63 5 61 5,5 59 5,9 56 6,2 54 6,4
F 58 2,5 58 3,2 56 4,4 54 4,8 52 5,1 49 5,4 47 5,6
G 52 2,1 52 2,8 50 3,8 48 4,1 45 4,5 42 4,7 - -
H 46 1,8 46 2,3 44 3,3 42 3,6 39 3,8 - - - -
I 41 1,5 41 2 38 2,8 36 3,1 33 3,3

 

Q Kapacitet
[m3/h] 0

6

15 16,5 18 21 24
[l/s] 0 1,7 4,2 4,6 5,0 5,8 6,7
[l/min] 0     100     250     275     300     350

    400

min-1 Impeller

H

[m]

N

[kW]

H

[m]

N

[kW]

H

[m]

N

[kW]

H

[m]

N

[kW]

H

[m]

N

[kW]

H

[m]

N

[kW]

H

[m]

N

[kW]

 3000 E 57 2,4 57 3,1 54 4,2 54 4,4 53 4,6 50 4,9 47 5,2
F 51 2,1 51 2,7 49 3,7 48 3,9 47 4 44 4,3 - -
G 46 1,7 46 2,3 43 3,2 42 3,4 41 3,5 38 3,7 - -
H 40 1,5 40 2 38 2,8 37 2,9 36 3 - - - -
I 36 1,2 36 1,6 33 2,4 32 2,5 31 2,6 - - - -

 

Q Kapacitet
[m3/h] 0

6

12 15 16,5 18 21
[l/s] 0 1,7 3,3 4,2 4,6 5,0 5,8
[l/min] 0     100     200     250     275     300

    350

min-1 Impeller

H

[m]

N

[kW]

H

[m]

N

[kW]

H

[m]

N

[kW]

H

[m]

N

[kW]

H

[m]

N

[kW]

H

[m]

N

[kW]

H

[m]

N

[kW]

 2600 E 40 1,4 40 1,9 39 2,5 37 2,7 37 2,9 35 3 32 3,2
F 36 1,2 36 1,7 35 2,2 33 2,4 32 2,5 31 2,6 - -
G 32 1 32 1,4 31 1,9 29 2,1 28 2,2 27 2,3 - -
H 29 0,9 29 1,2 27 1,6 25 1,8 24 1,9 - - - -
I 25 0,7 25 1 24 1,4 22 1,5 21 1,6 - - - -



Föreställningar
  3600 min-1

Q- kapacitet, H- huvud

Kurvor fastställda för vätsketäthet 1000 kg/m³
Viskositet 1 mm² /s
Temperatur 20°C
η% - Pump effektivitet
Y - Ventilförlust Returnerar ej.


Föreställningar  3300 min-1


Föreställningar  3000 min-1

Föreställningar  2600 min-1

  • Pump flänsad pump ROVATTI FL320 27m³/h
    Art. nr.
    ROV0304
    Pump flänsad pump ROVATTI FL320 27m³/h
För mer information kontakta oss på
0431-222 90


TRÄDGÅRDSTEKNIK AB
Helsingborgsv., Varalöv
262 96 ÄNGELHOLM
Telefon:
0431-222 90
Org Nr:
556409-6120
Webbadress:
www.tradgardsteknik.se
E-post:
info@tradgardsteknik.se