https://www.tradgardsteknik.se/logotyper/bill_logo_1.png
Patric Torle
info@tradgardsteknik.se
0431-222 90
0431-222 70
Trädgårdsteknik AB tillverkar och bygger växthus, specialväxthus, orangerier, belysning Garden för hela Skandinavien.
Helsingborgsvägen 578
ÄNGELHOLM
262 96
SWEDEN

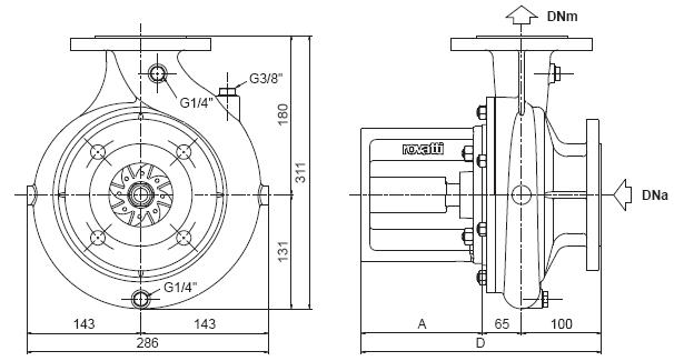
Pump flänsad pump ROVATTI FL420AN 48m³/h  




Pump flänsad pump ROVATTI FL420AN 48m³/h

 

Flänsar   Standard A
D
Vikt
CA 1 a 60 225 21
b 115 280 22
c 160 325 26
2 a 95 260 23
b 130 295 24
3 a 60 225 23
b 95 260 23
c 130 295 22
4 a 70 235 23
b 115 280 24
5 a 60 225 23
b 95 260 23
c 130 295 24
6 a 115

280

24
b 160 325 26
7 a 70 235 23
b 115 280 24
SB 11 115 280 22
12 **
21 144 309 23
22 **
23 147 312 25
31 144 309 23
32 **
33 147 312 26
F 1 **
2

  Overalll mått i mm och vikt i kg

  ** - Inte tillgängliga versionen

 
Q Flänsad
DN D1 D2

S

D3
DNa

PN 10/16*
65 185 145 4 19
DNm
PN 16/25*
40 150 110 4 19
 

* Beroende fungera pressar

Q Kapacitet
[m3/h] 0

12

24 36 42 45 48
[l/s] 0 3,3 6,7 10 11,7 12,5 13,3
[l/min] 0     200     400     600     700     750

    800

min-1 Impeller

H

[m]

N

[kW]

H

[m]

N

[kW]

H

[m]

N

[kW]

H

[m]

N

[kW]

H

[m]

N

[kW]

H

[m]

N

[kW]

H

[m]

N

[kW]

 3600 E 56 2,9 56 4,6 54 6,3 48 7,7 44 8,3 42 8,6 39 8,8
 3300 E 47 2,2 47 3,6 44 5 39 6,2 34 6,7 32 6,8 - -
 3000 E 39 1,7 38 2,8 36 4 30 4,9 25 5,2 - - - -
 2600 E 29 1,1 29 2 26 2,8 19 3,4 - - - - - -

 

Föreställningar  3600 min-1

Q- kapacitet, H- huvud

Kurvor fastställda för vätsketäthet 1000 kg/m³
Viskositet 1 mm² /s
Temperatur 20°C
η% - Pump effektivitet
Y - Ventilförlust Returnerar ej.

Föreställningar  3300 min-1

Föreställningar  3000 min-1

Föreställningar  2600 min-1

  • Pump flänsad pump ROVATTI FL420AN 48m³/h
    Art. nr.
    ROV0308
    Pump flänsad pump ROVATTI FL420AN 48m³/h
För mer information kontakta oss på
0431-222 90


TRÄDGÅRDSTEKNIK AB
Helsingborgsv., Varalöv
262 96 ÄNGELHOLM
Telefon:
0431-222 90
Org Nr:
556409-6120
Webbadress:
www.tradgardsteknik.se
E-post:
info@tradgardsteknik.se