https://www.tradgardsteknik.se/logotyper/bill_logo_1.png
Patric Torle
info@tradgardsteknik.se
0431-222 90
0431-222 70
Trädgårdsteknik AB tillverkar och bygger växthus, specialväxthus, orangerier, belysning Garden för hela Skandinavien.
Helsingborgsvägen 578
ÄNGELHOLM
262 96
SWEDEN

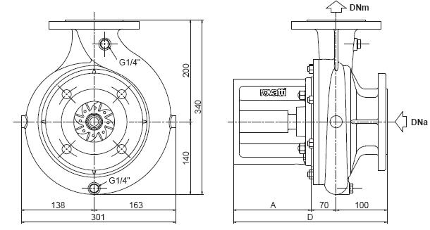
Pump flänsad pump ROVATTI FL612 138m³/h  




Pump flänsad pump ROVATTI FL612  138m³/h

Flänsar   Standard A
D
Vikt
CA 1 a 60 230 24
b 115 285 26
c 160 330 29
2 a 95 265 27
b 130 300 27
3 a 60 230 26
b 95 265 27
c 130 300 25
4 a 70 240 27
b 115 285 28
5 a 60 230 26
b 95 265 27
c 130 300 27
6 a 115 285 28
b 160 330 30
7 a 70 240 27
b 115 285 28
SB 11 115 285 26
12 **
21 144 314 26
22 **
23 147 317 29
31 144 314 26
32 **
33 147 317 29
F 1 **
2 **

 

 ** - Inte tillgängliga versionen
 
Q Flänsad
DN D1 D2

S

D3
DNa

PN 10
80 200 160 4 19
DNm
PN 10/16*
65 185 145 4 19

* Beroende fungera pressar

Q Kapacitet
[m3/h] 0

60

84 96 120 132 138
[l/s] 0 16,7 23,3 26,7 33,3 36,7 38,3
[l/min] 0     1000     1400     1600     2000     2200

    2300

min-1 Impeller

H

[m]

N

[kW]

H

[m]

N

[kW]

H

[m]

N

[kW]

H

[m]

N

[kW]

H

[m]

N

[kW]

H

[m]

N

[kW]

H

[m]

N

[kW]

3600 E 48 5,8 48 12,3 45 14,3 42 15,1 36 16,3 31 16,7 29 16,9
F 44 5,1 44 11 40 12,8 38 13,5 31 14,5 27 14,8 - -
G 37 3,8 36 9 33 10,5 30 11 24 11,8 - - - -
H 31 3,8 30 7,8 26 8,9 23 9,3 - - - - - -

 

Q Kapacitet
[m3/h] 0

48

60 84 108 120 132
[l/s] 0 13,3 16,7 23,3 30 33,3 36,7
[l/min] 0     800     1000     1400     1800     2000

    2200

min-1 Impeller

H

[m]

N

[kW]

H

[m]

N

[kW]

H

[m]

N

[kW]

H

[m]

N

[kW]

H

[m]

N

[kW]

H

[m]

N

[kW]

H

[m]

N

[kW]

3300 E 41 4,5 41 8,9 40 9,8 36 11,4 31 12,5 27 12,9 22 13
F 37 3,9 37 8 36 8,8 33 10,2 27 11,1 23 11,4 - -
G 31 3 31 6,5 30 7,2 26 8,4 21 9,1 - - - -
H 26 3 26 5,7 24 6,2 20 7 15 7,5 - - - -

 

Q Kapacitet
[m3/h] 0

48

60 72 96 108 120
[l/s] 0 13,3 16,7 20 26,7 30 33,3
[l/min] 0     800     1000     1200     1600     1800

    2000

min-1 Impeller

H

[m]

N

[kW]

H

[m]

N

[kW]

H

[m]

N

[kW]

H

[m]

N

[kW]

H

[m]

N

[kW]

H

[m]

N

[kW]

H

[m]

N

[kW]

3000 E 34 3,4 33 7 32 7,7 31 8,4 26 9,4 22 9,6 18 9,8
F 31 3 3 6,2 29 6,9 28 7,5 22 8,3 19 8,5 - -
G 26 2,2 25 5,1 24 5,7 23 6,1 18 6,8 15 6,9 - -
H 21 2,2 21 4,5 19 4,9 18 5,2 13 5,6 - - - -

 

Q Kapacitet
[m3/h] 0

48

60 72 84 96 108
[l/s] 0 13,3 16,7 20 23,3 26,7 30
[l/min] 0     800     1000     1200     1400     1600

    1800

min-1 Impeller

H

[m]

N

[kW]

H

[m]

N

[kW]

H

[m]

N

[kW]

H

[m]

N

[kW]

H

[m]

N

[kW]

H

[m]

N

[kW]

H

[m]

N

[kW]

2600 E 25 2,2 25 4,8 23 5,4 22 5,8 19 6,1 16 6,3 13 6,4
F 23 1,9 22 4,3 21 4,8 19 5,2 17 5,4 14 5,6 - -
G 20 1,4 19 3,6 17 3,9 15 4,2 13 4,4 11 4,5 - -
H 16 1,4 15 3,1 14 3,3 12 3,5 9 3,7 - - - -

 

Föreställningar  3600 min-1

Q- kapacitet, H- huvud

Kurvor fastställda för vätsketäthet 1000 kg/m³
Viskositet 1 mm² /s
Temperatur 20°C
η% - Pump effektivitet
Y - Ventilförlust Returnerar ej.

Föreställningar  3300 min-1

Föreställningar  3000 min-1

Föreställningar  2600 min-1

  • Pump flänsad pump ROVATTI FL612  138m³/h
    Art. nr.
    ROV0318
    Pump flänsad pump ROVATTI FL612 138m³/h
För mer information kontakta oss på
0431-222 90


TRÄDGÅRDSTEKNIK AB
Helsingborgsv., Varalöv
262 96 ÄNGELHOLM
Telefon:
0431-222 90
Org Nr:
556409-6120
Webbadress:
www.tradgardsteknik.se
E-post:
info@tradgardsteknik.se