https://www.tradgardsteknik.se/logotyper/bill_logo_1.png
Patric Torle
info@tradgardsteknik.se
0431-222 90
0431-222 70
Trädgårdsteknik AB tillverkar och bygger växthus, specialväxthus, orangerier, belysning Garden för hela Skandinavien.
Helsingborgsvägen 578
ÄNGELHOLM
262 96
SWEDEN

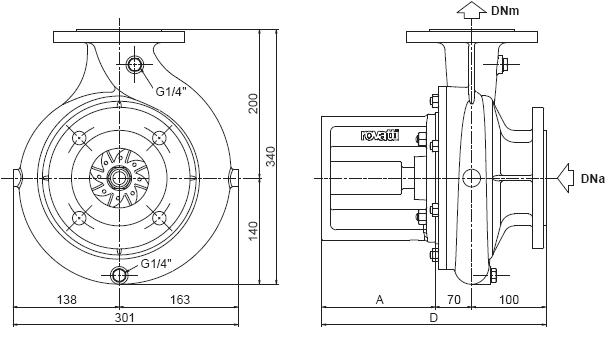
Pump flänsad pump ROVATTI FL616 156m³/h  




Pump flänsad pump ROVATTI FL616  156m³/h



 



Flänsar   Standard A
D  Vikt
CA 1 a 60 230 24
b 115 285 26
c 160 330 29
2 a 95 265 27
b 130 300 27
3 a 60 230 26
b 95 265 27
c 130 300 25
4 a 70 240 26
b 115 285 28
5 a 60 230 26
b 95 265 27
c 130 300 27
6 a 115 285 28
b 160 330 29
7 a 70 240 26
b 115 285 28
SB 11 115 285 26
12 **
21 144 314 26
22 **
23 147 317 29
31 144 314 26
32 **
33 147 317 29
F 1 **
2 **

  ** - Inte tillgängliga versionen

 
Q Flänsad
DN D1 D2

S

D3
DNa

PN 10
80 200 160 4 19
DNm
PN 10/16*
65 185 145 4 19
 

* Beroende fungera pressar

Q Kapacitet
[m3/h] 0

60

108 132 144 150 156
[l/s] 0 16,7 30 36,7 40 41,7 43,3
[l/min] 0     1000     1800     2200     2400     2500

    2600

min-1 Impeller

H

[m]

N

[kW]

H

[m]

N

[kW]

H

[m]

N

[kW]

H

[m]

N

[kW]

H

[m]

N

[kW]

H

[m]

N

[kW]

H

[m]

N

[kW]

3600 E 58 7,8 57 15,3 52 20,4 47 22,5 43 23,4 41 23,8 39 24,2
F 51 6,5 50 13,4 44 17,8 39 19,5 36 20,3 34 20,6 - -

 

Q Kapacitet
[m3/h] 0

60

84 108 120 138 144
[l/s] 0 16,7 23,3 30 33,3 38,3 40
[l/min] 0     1000     1400     1800     2000     2300

    2400

min-1 Impeller

H

[m]

N

[kW]

H

[m]

N

[kW]

H

[m]

N

[kW]

H

[m]

N

[kW]

H

[m]

N

[kW]

H

[m]

N

[kW]

H

[m]

N

[kW]

3300 E 49 6 48 12,3 46 14,5 42 16,4 40 17,3 35 18,4 33 18,7
F 43 5 42 10,7 39 12,7 36 14,3 33 15 28 15,9 - -

 

Q Kapacitet
[m3/h] 0

60

84 108 120 132 156
[l/s] 0 16,7 23,3 30 33,3 36,7 43,3
[l/min] 0     1000     1400     1800     2000     2200

    2600

min-1 Impeller

H

[m]

N

[kW]

H

[m]

N

[kW]

H

[m]

N

[kW]

H

[m]

N

[kW]

H

[m]

N

[kW]

H

[m]

N

[kW]

H

[m]

N

[kW]

3000 E 40 4,5 39 9,7 37 11,4 33 12,9 30 13,6 27 14,1 - -
F 35 3,7 34 8,4 32 10 27 11,2 25 11,7 - - - -

 

Q Kapacitet
[m3/h] 0

60

84 108 120 132 156
[l/s] 0 16,7 23,3 30 33,3 36,7 43,3
[l/min] 0     1000     1400     1800     2000     2200

    2600

min-1 Impeller

H

[m]

N

[kW]

H

[m]

N

[kW]

H

[m]

N

[kW]

H

[m]

N

[kW]

H

[m]

N

[kW]

H

[m]

N

[kW]

H

[m]

N

[kW]

2600 E 30 2,9 29 6,8 26 8 22 9 - - - - - -
F 27 2,4 25 5,9 22 7 18 7,7 - - - - - -

 


Föreställningar
  3600 min-1

Q- kapacitet, H- huvud

Kurvor fastställda för vätsketäthet 1000 kg/m³ 
Viskositet 1 mm² /s
Temperatur 20°C
η% - Pump effektivitet
Y - Ventilförlust Returnerar ej.

Föreställningar  3300 min-1

 

Föreställningar  3000 min-1

 

Föreställningar  2600 min-1

  • Pump flänsad pump ROVATTI FL616  156m³/h
    Art. nr.
    ROV0319
    Pump flänsad pump ROVATTI FL616 156m³/h
För mer information kontakta oss på
0431-222 90


TRÄDGÅRDSTEKNIK AB
Helsingborgsv., Varalöv
262 96 ÄNGELHOLM
Telefon:
0431-222 90
Org Nr:
556409-6120
Webbadress:
www.tradgardsteknik.se
E-post:
info@tradgardsteknik.se