Väggdon NR19 NR19 är ett rektangulärt don med ställbara dysor, avsett för montering i vägg eller gipsinklädnad. Donet är lämpligt för horisontell inblåsning av undertempererad luft. Dysorna i fronten gör att man kan variera spridningsmönstret och därmed åstadkomma olika kastlängder. Donet kan användas med tryckfördelningslåda typ WB.
»
Klicka här för att se beskrivning Tryckfördelningslådan har spjäll och mätenhet, vilket möjliggör individuell injustering.
- Individuellt ställbara dysor
- Flexibelt spridningsmönster
- Oberoende av om kanalen är rak framför donet
- Teleskopfunktion i tryckfördelningslåda
Underhåll:
Fronten kan demonteras och spjället tas ut för rengöring av invändiga delar eller för att komma åt kanalen. De synliga delarna av donet kan torkas av med en fuktig trasa.

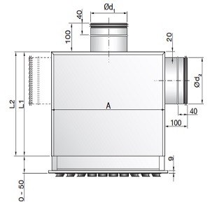
| Modell |
A x B Storlek mm
|
Ød1 mm |
Ød2 mm |
A mm |
B mm |
L1 mm |
L2 mm |
m kg |
| NR1931 |
300x100 |
80 |
80 |
300 |
100 |
240 |
280 |
2,50 |
| NR1941 |
400x150 |
100 |
100 |
400 |
150 |
240 |
300 |
3,50 |
| NR1951 |
500x150 |
125 |
125 |
500 |
150 |
240 |
325 |
4,30 |
| NR1952 |
500x200 |
160 |
160 |
500 |
200 |
240 |
360 |
5,50 |
| NR1953 |
500x300 |
200 |
200 |
500 |
300 |
240 |
400 |
7,40 |

